[EN] Mega-CD

Moderator: bbiernat

Post Reply
User avatar
pancio
Administrator
Posts: 78
Joined: 18 September 2013, 23:02 - Wed
Location: SILESIA

[EN] Mega-CD

Post by pancio »

Today I am presenting a very simple but also very useful interface, which was created most likely in 2014 and described in detail on the website: https://blog.3b2.sk/igi/post/Hardware-CD-LINK.aspx

The interface allows you to read programs from a CD/DVD in a system similar to Turbo 2000. To make it easier to navigate the CD, a dedicated cartridge was created.

Today's article was inspired by @Piguła (Marcin Prusisz), who showed me the schematic and asked me to design the PCB.

You can read about how Marcin meticulously developed the topic on the website: https://atarionline.pl/forum/comments.p ... 505&page=1

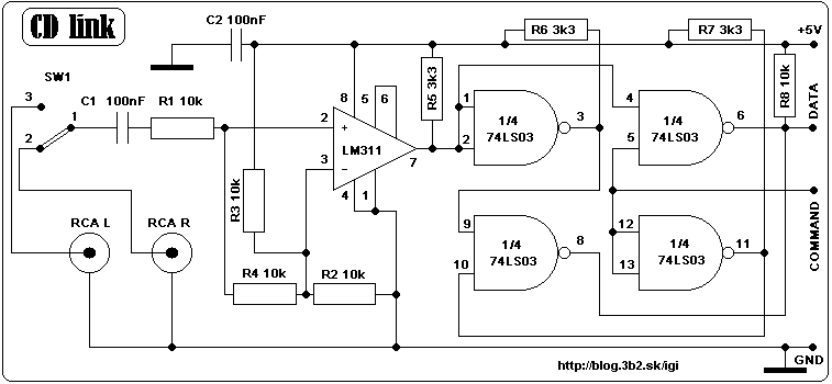
The original diagram presented by Igor Grambliček looks like this:
cd-link-original.gif
cd-link-original.gif (9.68 KiB) Viewed 642915 times
ans second version:
cd-link-original-v2.gif
cd-link-original-v2.gif (8.96 KiB) Viewed 642915 times
In the second version there is a small error in the description of the inputs of the operational amplifier circuit, which may be misleading, but the connections are correct...

My version of the schematic redrawn in KiCAD:
cdlink-kicad-schematic.png
cdlink-kicad-schematic.png (98.31 KiB) Viewed 642915 times
Note: Use R1 = 100Kohm resistor instead 1Mohm because sometimes signal from CD is too low!

PCB visualisation:
cdlink-PCB1.png
cdlink-PCB1.png (107.12 KiB) Viewed 642915 times
cdpinkPCB2.png
cdpinkPCB2.png (108.66 KiB) Viewed 642915 times
And final assembled by @Piguła MegaCD (CD-link):
MegaCD-assembled2.png
MegaCD-assembled2.png (2.08 MiB) Viewed 642915 times
It's worth noting that the interface can be used not only with CDs or DVDs—it can be used with any other audio source!

You can find many details about how Mega-CD works on the website: https://a8.jindrou.sh/megacd.html

This website also provides modern tools for preparing your own files for compilation on CD.

If you want to build cartridge with Tools - all required information you may find on: https://tnweb.tode.cz/atari-cartridge-t ... -visicopy/
toolbox3.jpg
toolbox3.jpg (186.14 KiB) Viewed 641237 times
Several sets of programs and games have also been created for the interface, in the form of compilations on CDs. There's something for everyone :-)

EDIT.
Because somebody may have an issue with attached archive (RAR) I added zipped versions.. Thanks @mega-hz for information.
Attachments
megacd_project.zip
(7.13 MiB) Downloaded 88629 times
megacd_build.zip
(25.16 KiB) Downloaded 90945 times
megacd_build.rar
(24.77 KiB) Downloaded 96710 times
megacd_projects.rar
(6.49 MiB) Downloaded 86049 times
cdlink_v1R0.zip
(1.24 MiB) Downloaded 98141 times

Post Reply