Page 1 of 1

Atari 130XE Schematic

Posted: 08 December 2018, 22:00 - Sat
by pancio
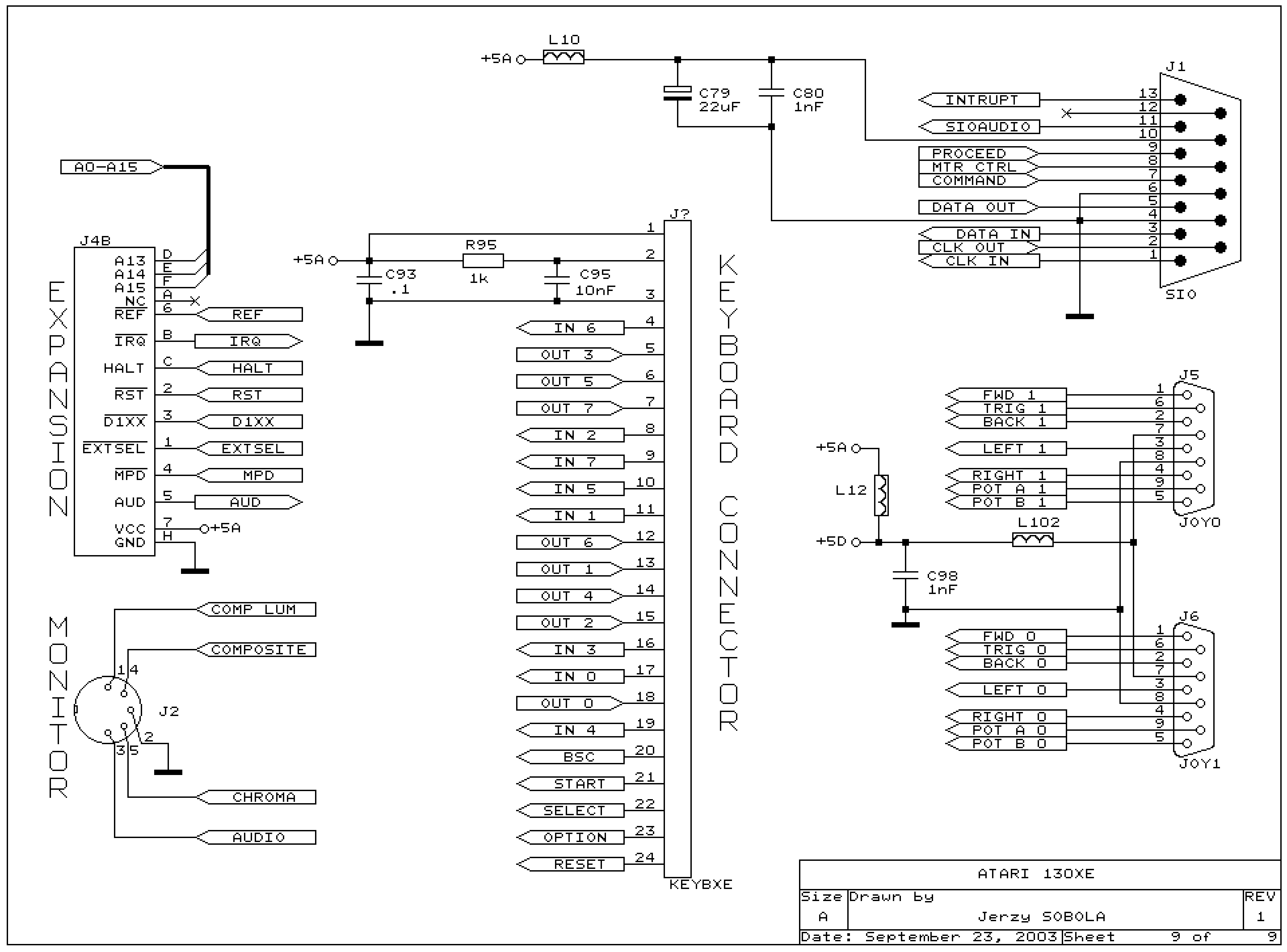
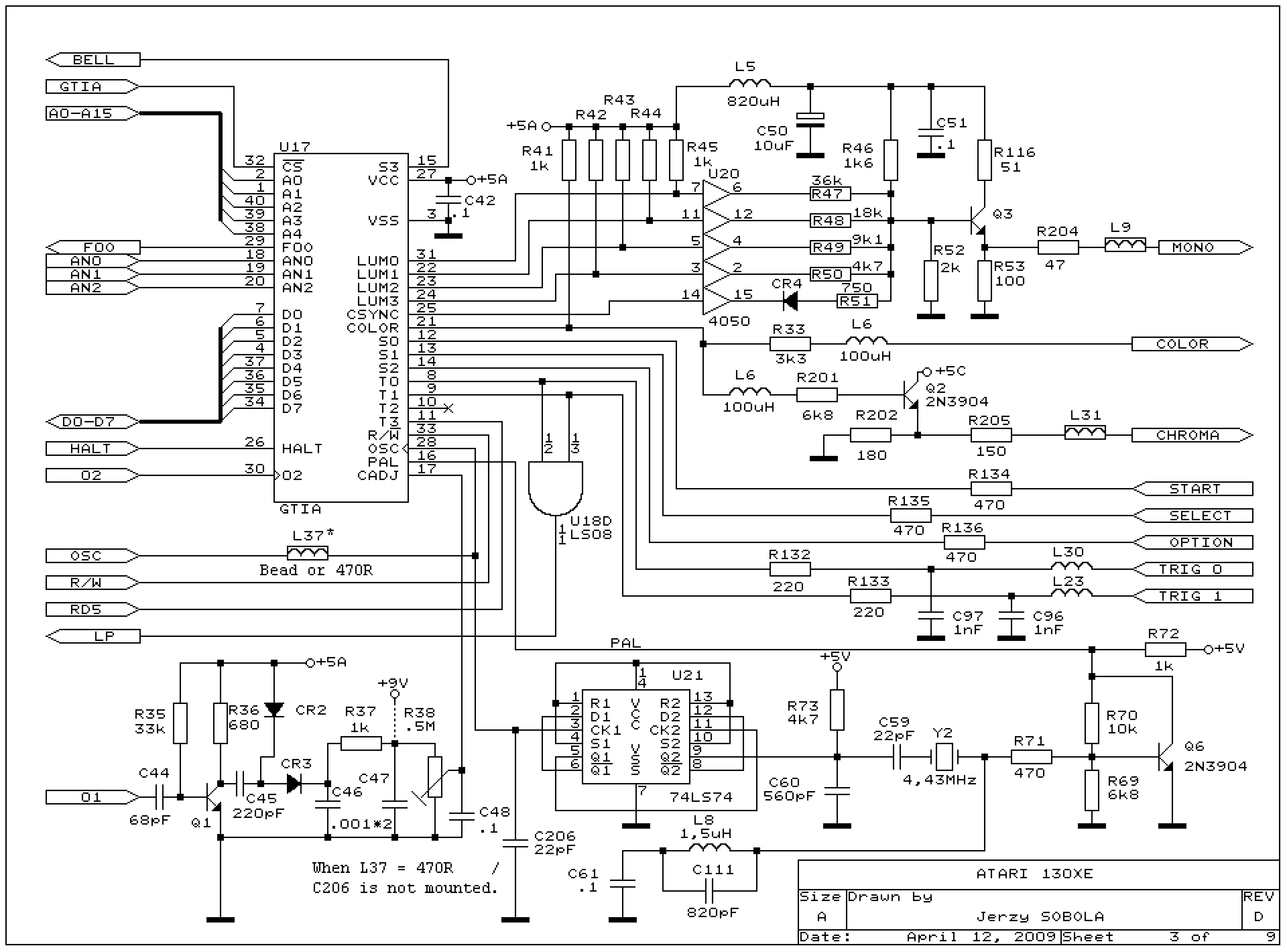
The Atari 130XE Schematics.
Author: Jerzy Sobola

130XE_05.png
130xe_09.png
130xe_08.png
130xe_07.png
130xe_06.png
130xe_04b.png
130xe_04a.png
130xe_04.png
130xe_03a.png
130xe_03.png
130xe_02.png
130xe_01.png