Atari 800XL Schematic

Moderator: bbiernat

Post Reply
User avatar
pancio
Administrator
Posts: 78
Joined: 18 September 2013, 23:02 - Wed
Location: SILESIA

Atari 800XL Schematic

Post by pancio »

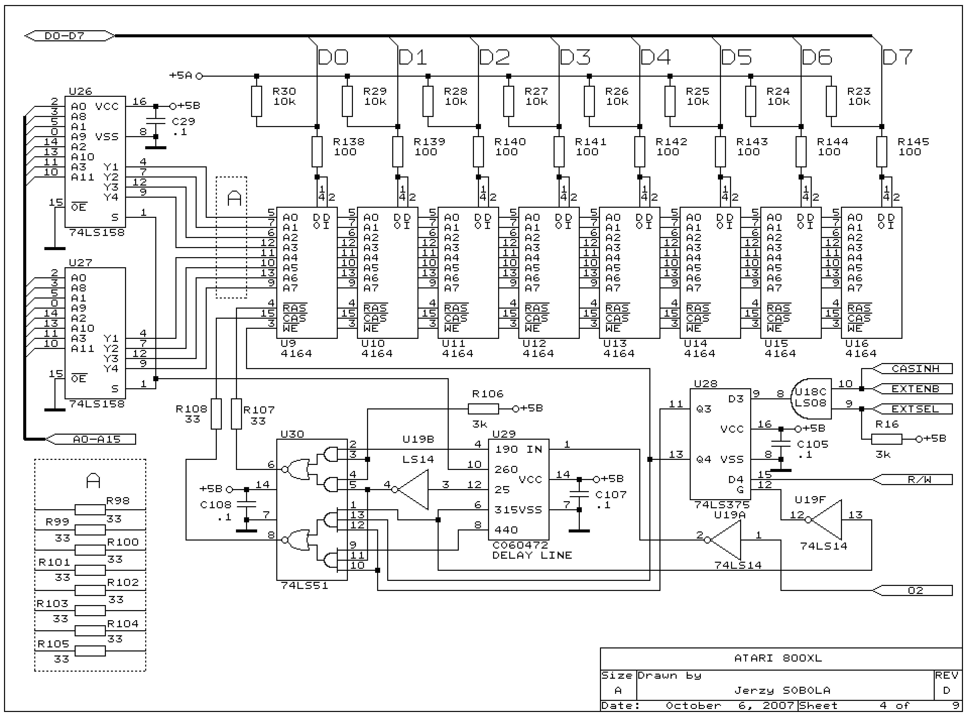
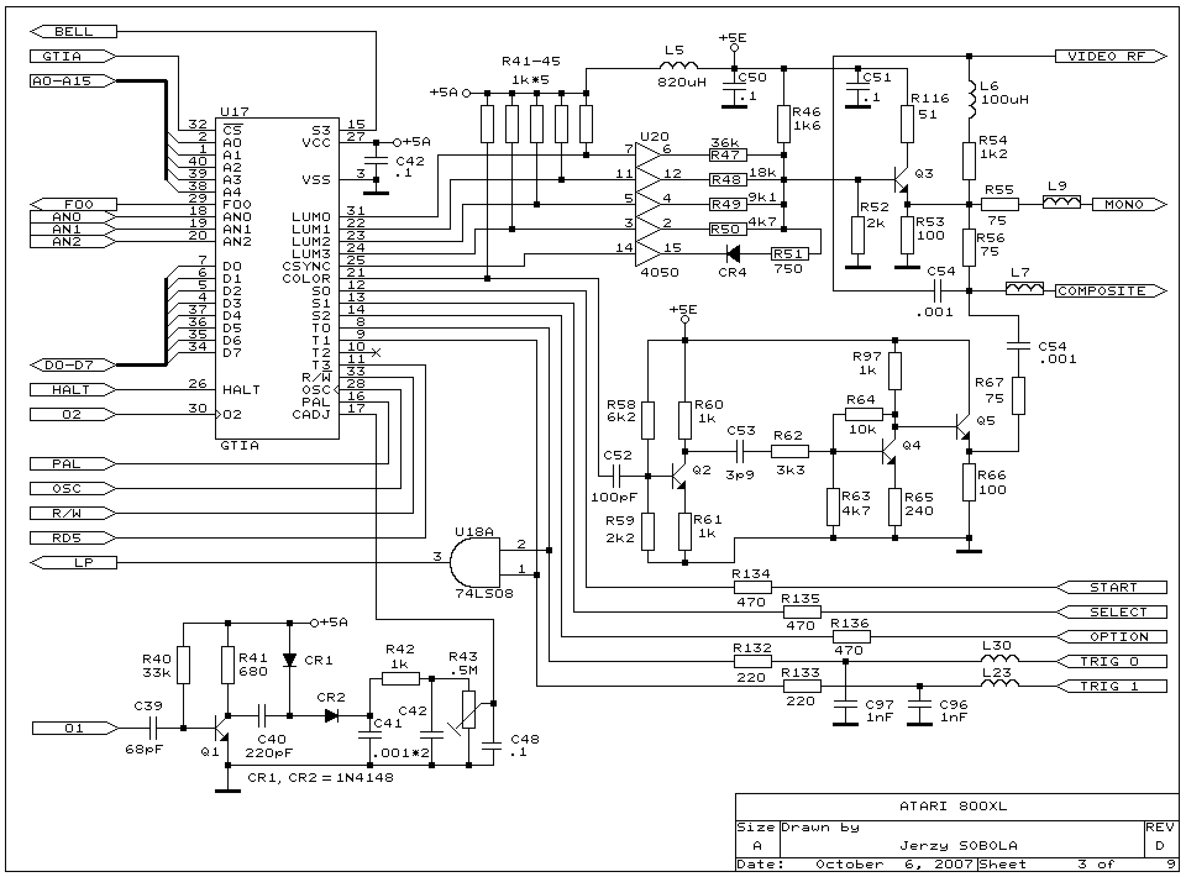
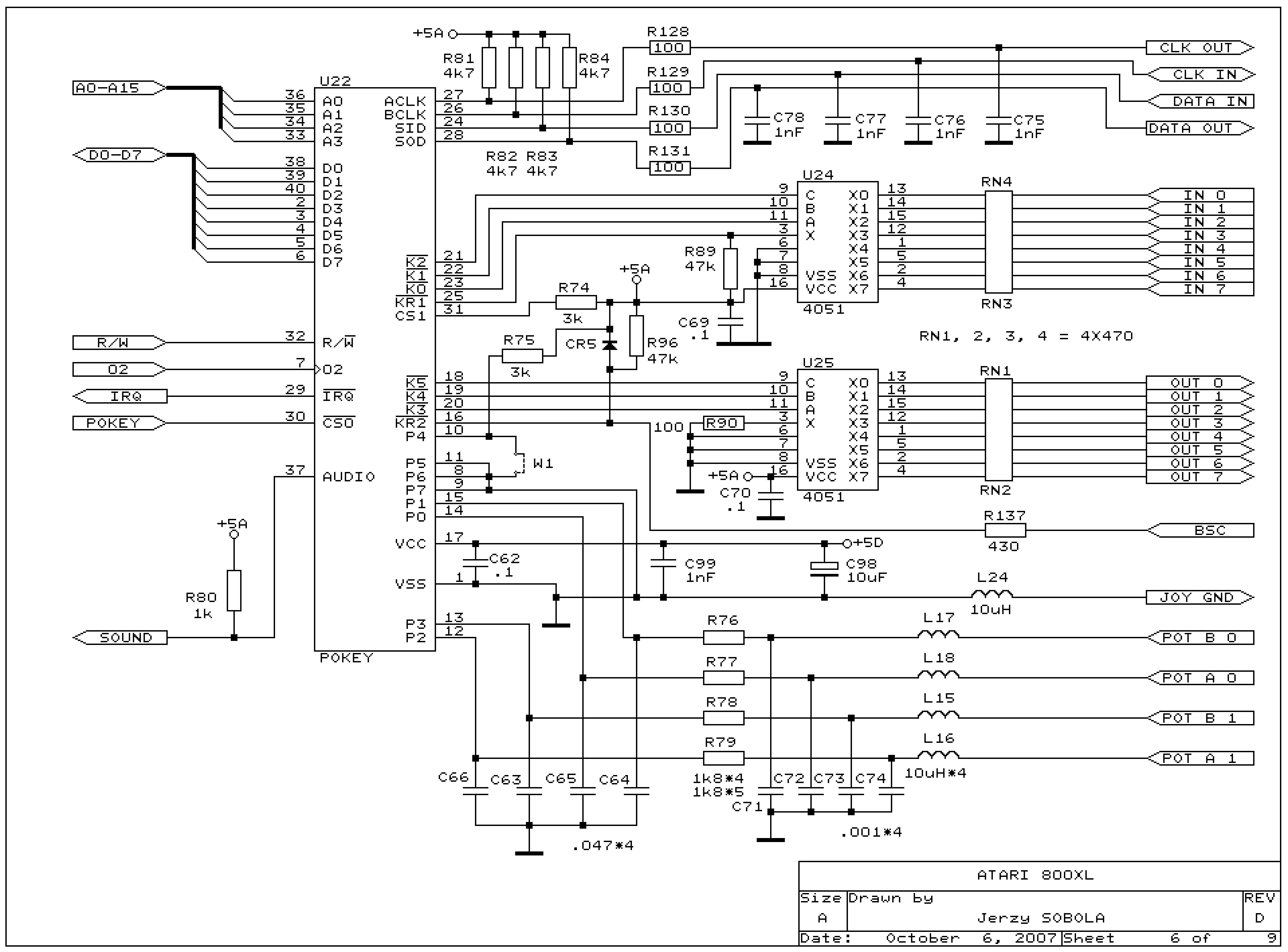
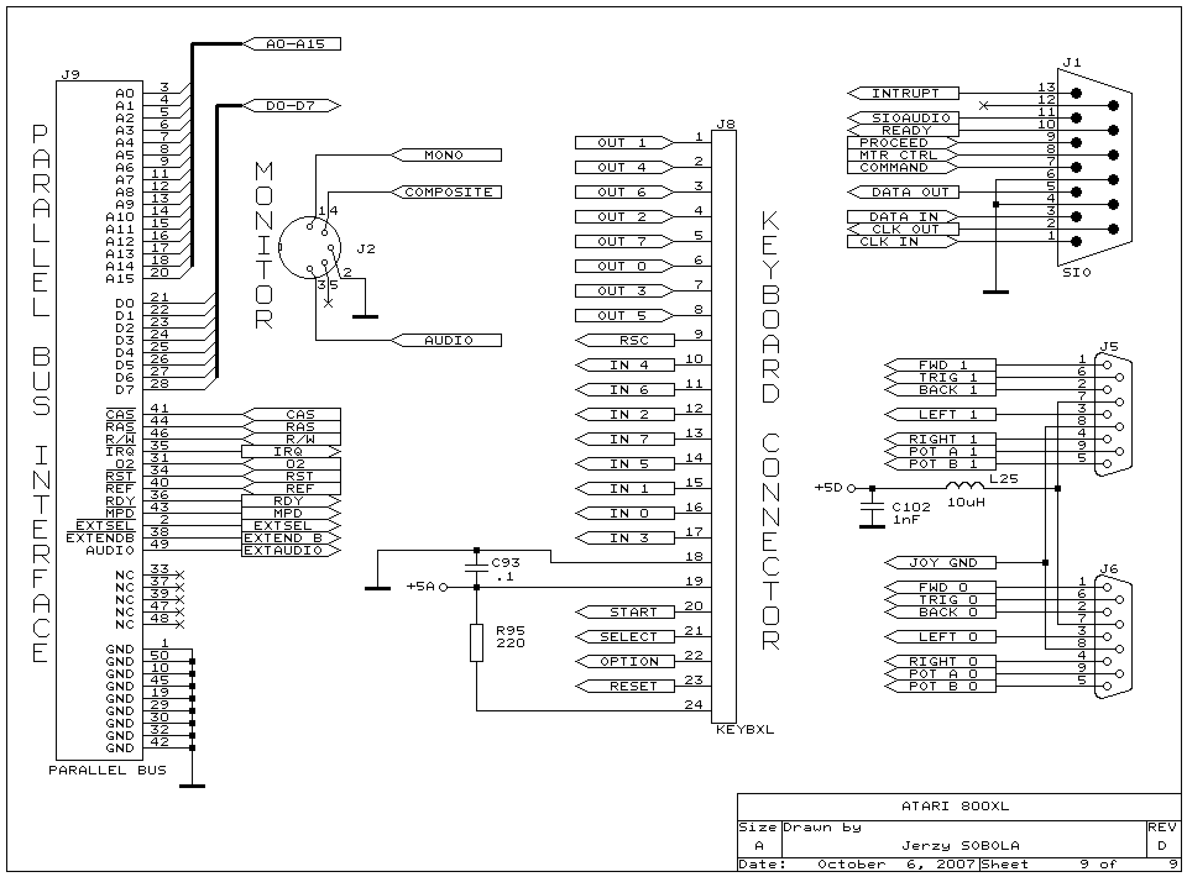
The Atari 800XL Schematics.
Author: Jerzy Sobola
800xl_01.png
800xl_02.png
800xl_03.png
800xl_03a.png
800xl_04.png
800xl_05.png
800xl_06.png
800xl_07.png
800xl_08.png
800xl_09.png
800xl_10.png
Attachments
800XL_CO61854_REV_D_DIAGRAM-contrasted-big.gif
800XL_CO61854_REV_D_DIAGRAM-contrasted-big.gif (870.45 KiB) Viewed 222556 times
800XL_CO61854_REV_D_DIAGRAM.png
800XL_B444_MOBO_REAR_FULL_REV_D.jpg
800XL_B444_MOBO_FRONT_FULL_REV_D.jpg
ATARI800XL-SCHEMATIC.PDF
(1.1 MiB) Downloaded 23248 times

Post Reply