Atari 130XE Schematic

Moderator: bbiernat

Post Reply
User avatar
pancio
Administrator
Posts: 78
Joined: 18 September 2013, 23:02 - Wed
Location: SILESIA

Atari 130XE Schematic

Post by pancio »

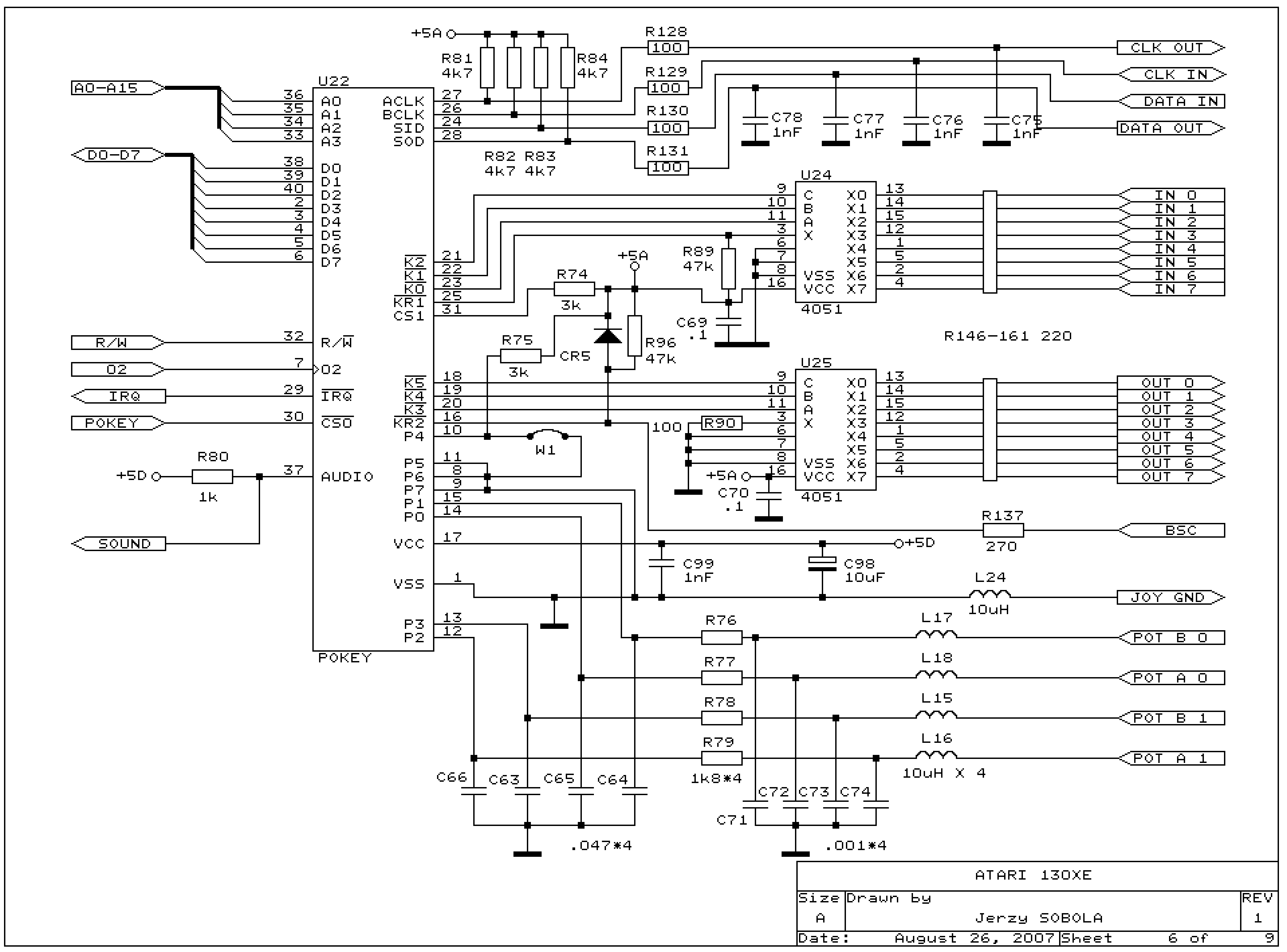
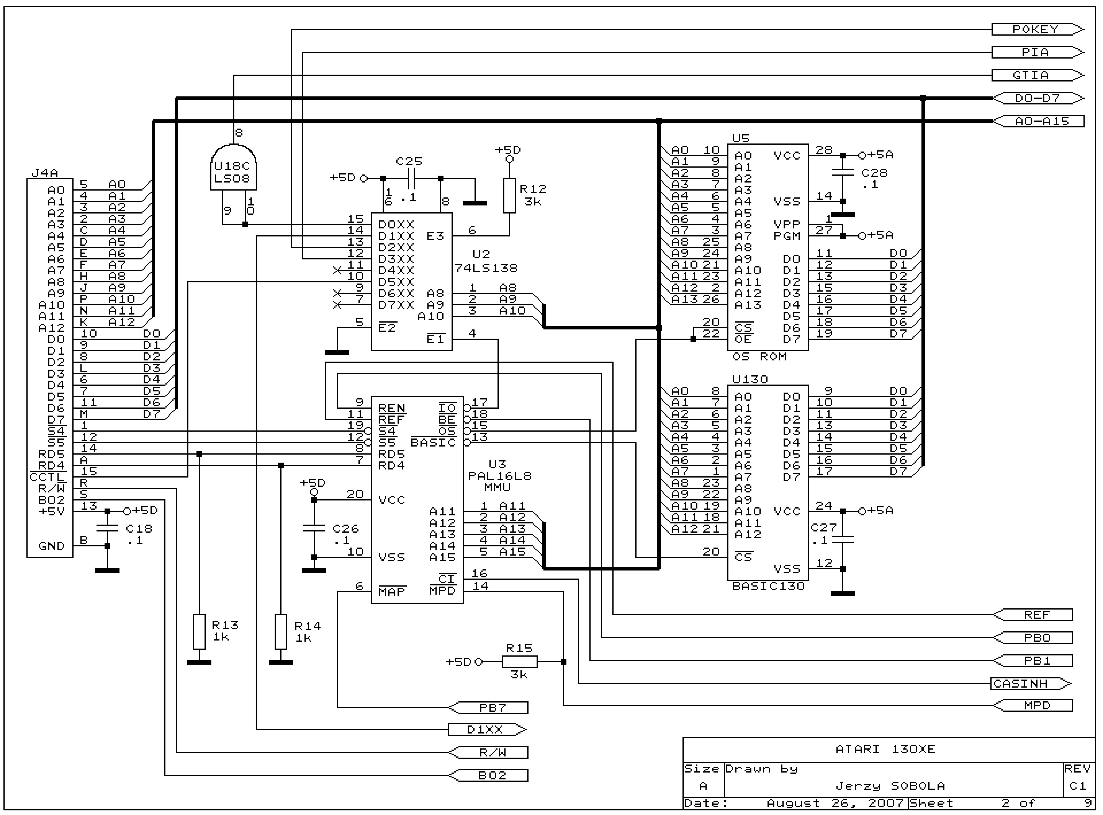
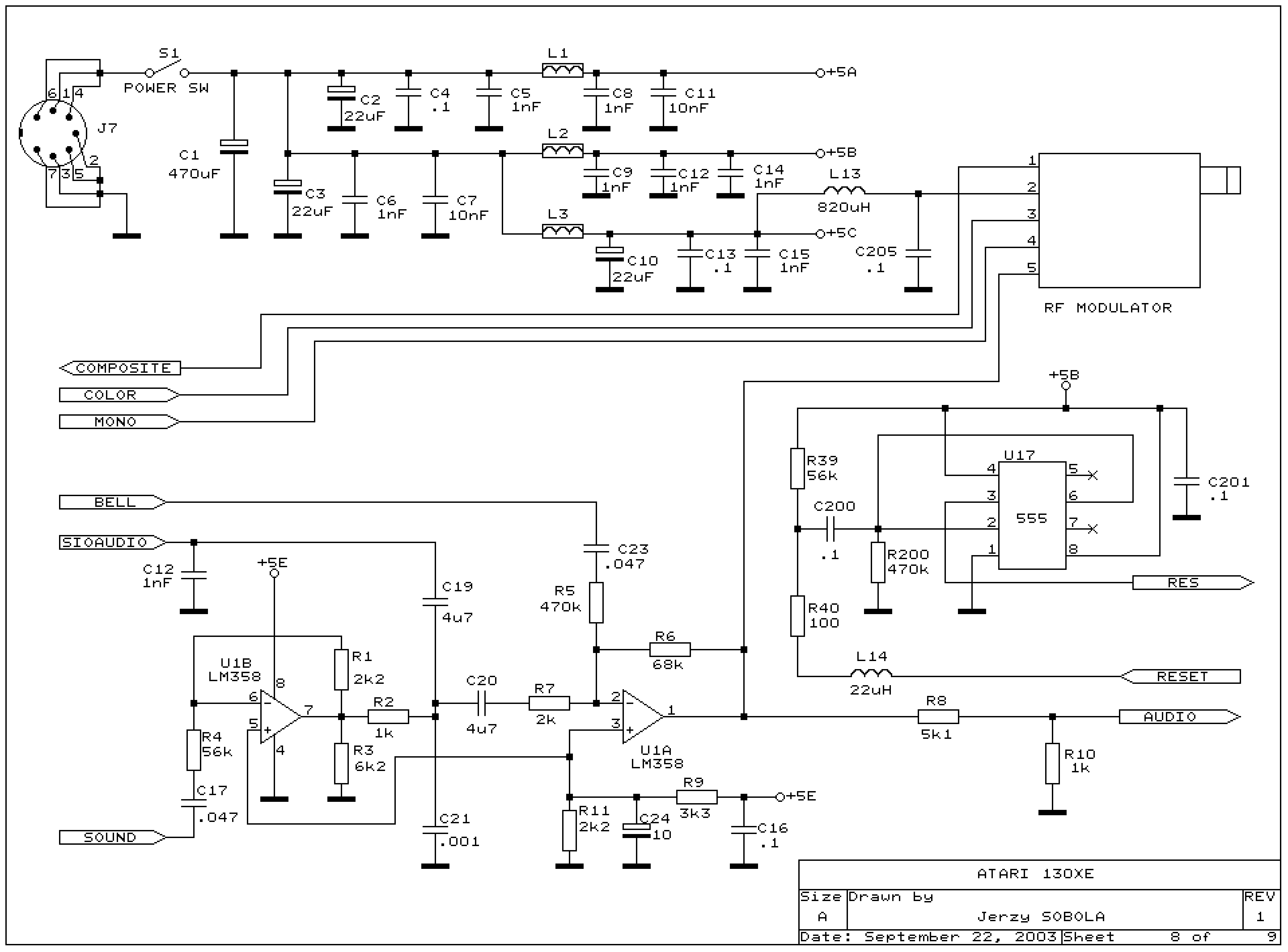
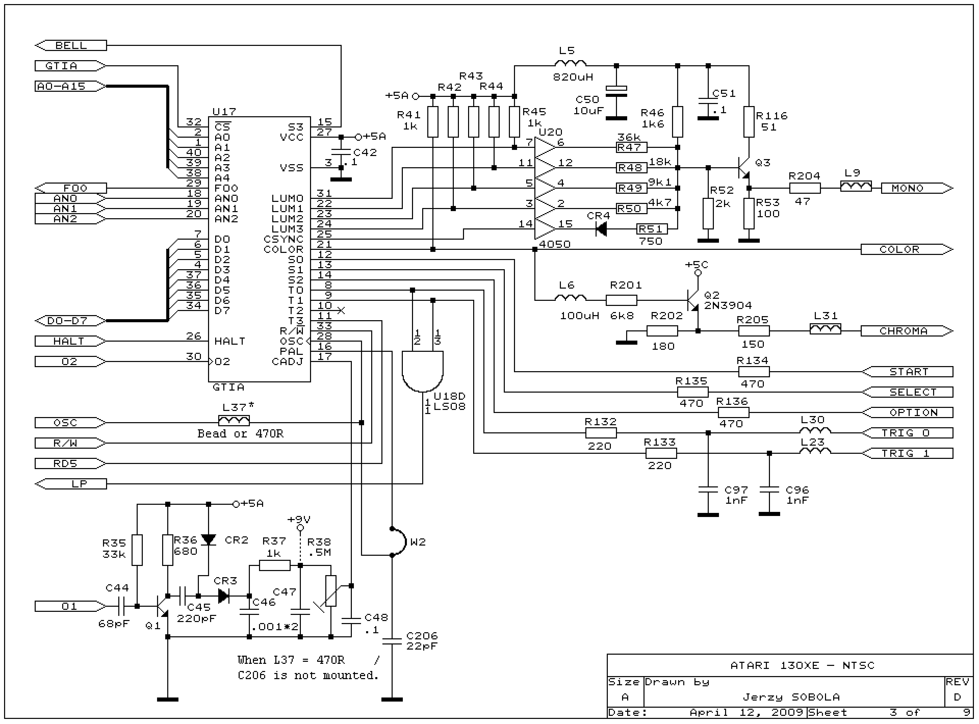
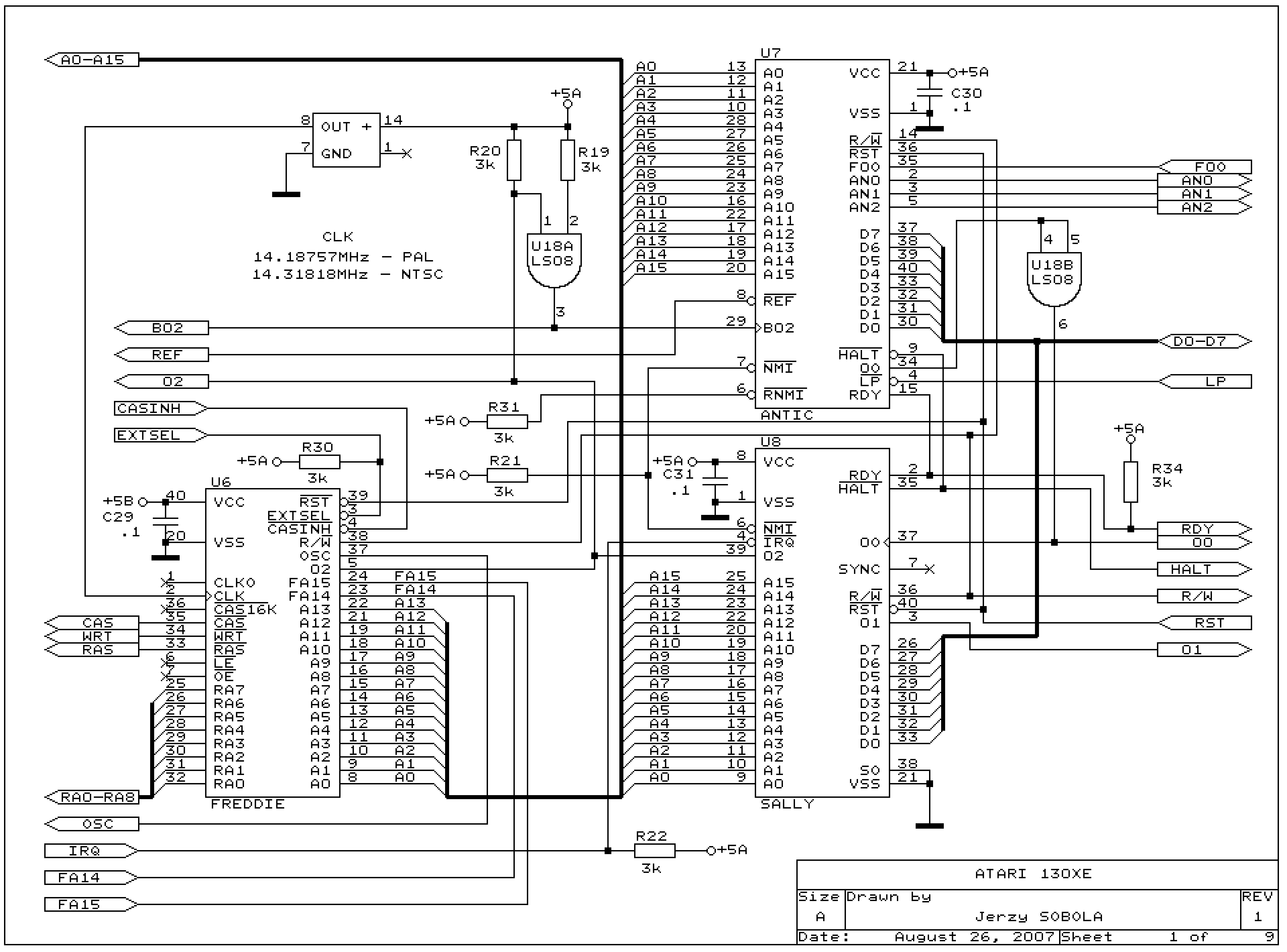
The Atari 130XE Schematics.
Author: Jerzy Sobola

130XE_05.png
130xe_09.png
130xe_08.png
130xe_07.png
130xe_06.png
130xe_04b.png
130xe_04a.png
130xe_04.png
130xe_03a.png
130xe_03.png
130xe_02.png
130xe_01.png
Attachments
130XE_561035759_REAR.jpg
130XE_561035759_MOBO_FRONT.jpg
ATARI130XE-SCHEMATIC.PDF
(1.35 MiB) Downloaded 18843 times

Post Reply